×
 

BUTTERFLY VALVE WITH LOCATING HOLES AND HANDWEEL GEAR REDUCER - CF8M STAINLESS STEEL BODY AND BUTTERFLY - SILICONE GASKET CORPS ET PAPILLON INOX CF8M - JOINT SILICONE ALIMENTAIRE (Model : 58424V)

58424V BUTTERFLY VALVE WITH LOCATING HOLES AND HANDWEEL GEAR REDUCER - CF8M STAINLESS STEEL BODY AND BUTTERFLY - SILICONE GASKET CORPS ET PAPILLON INOX CF8M - JOINT SILICONE ALIMENTAIRE

Photos

Dessins techniques

Information

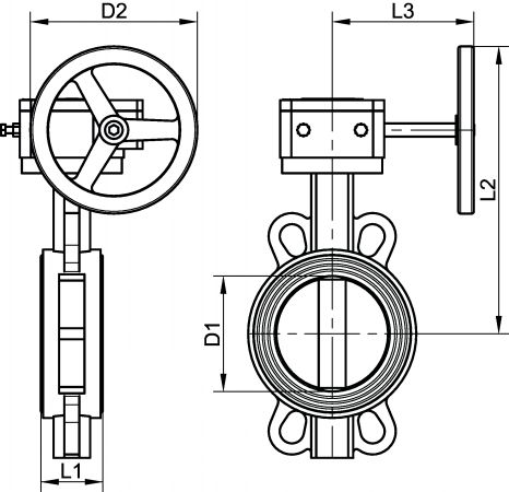
Vanne papillon à oreilles de centrage avec réducteur à volant - Corps et papillon inox CF8M - Joint Silicone alimentaire

> Diamètres disponibles : du DN50 au DN150

> PN16

Joint Silicone avec agrément CE1935/2004 : -20°C à +150°C

Montage entre brides PN6 / PN10 / PN16 / Class 150
Ne pas monter la vanne avec des collets et brides tournantes

Béné Inox propose deux types de motorisations possibles pour cette vanne : pneumatiques et électriques.

Quantity
 
CAD
+
 
CAD
NC
NC
458424-50V
Silicone
50
2"
16
51
100
42,5
203
105
3,20
CAD
NC
NC
458424-65V
Silicone
65
2"1/2
16
63
100
45,5
209
105
4,10
CAD
NC
NC
458424-80V
Silicone
80
3"
16
77
100
45,5
216
105
4,70
CAD
NC
NC
458424-100V
Silicone
100
4"
16
102
150
51
264
130
6,40
CAD
NC
NC
458424-125V
Silicone
125
5"
16
122
150
55,5
285
130
7,90
CAD
D
NC
458424-150V
Silicone
150
6"
16
154
150
55,5
298
130
12,00
CAD
D
NC
458424-200V
Silicone
200
8"
16
200
270
60
395
210
17,00

Retour en haut