×
 

90° CONNECTOR FOR C SHAPED RAIL - STAINLESS STEEL 316 - ZINC PLATED STEEL Inox 316 - Acier zingué (Model : 72203)

72203 90° CONNECTOR FOR C SHAPED RAIL - STAINLESS STEEL 316 - ZINC PLATED STEEL Inox 316 - Acier zingué

Photos

Dessins techniques

Information

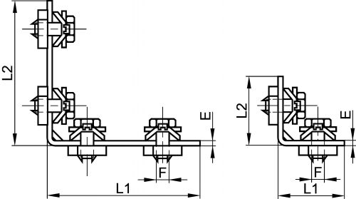
Equerre de fixation à 90° pour rail profil C - Inox 316 - Acier zingué

Modèle en inox 316 : équerre livrée nue
Modèle en acier zingué : équerre livrée pré-assemblée avec écrous et plaques

Files

Quantity
 
CAD
+
 
D
NC
472203-3
Inox 316
3 trous
8,5 x 23
53
93,5
30
4
0,12
 
D
NC
872203-2
Acier zingué
2 trous
M8
43,5
43,5
30
3
0,10
 
D
NC
872203-4
Acier zingué
4 trous
M8
93,5
93,5
30
3
0,23

Retour en haut