×
 

CHARNIÈRE INOX A2 (Modèle : 232864)

232864 CHARNIÈRE INOX A2

Photos

Dessins techniques

Informations

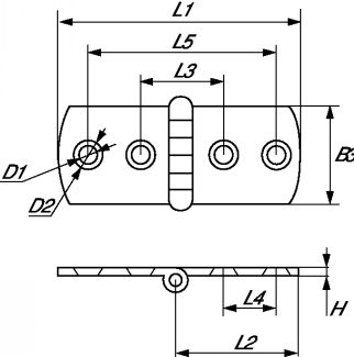
Charnière - Inox A2

La charnière en inox A2 permet de lier deux pièces afin de leur permettre de pivoter l'une par rapport à l'autre.

Cette charnière est disponible avec deux ou trois points de fixation.

Produit incompatible avec le levage et la traction.

Documents

Quantité
 
CAD
+
 
 
D
NC
232864-75
4
75
37,5
22
17
56
1,5
20
-
-
4,5
8
CAD
D
NC
232864-85
6
85
42,5
28
19
66
1,5
30
16
8
5,5
9
CAD
D
NC
232864-100
6
100
50
24
25,5
75
1,5
40
25
12,5
5,5
9

Retour en haut