×
 

VANNE PAPILLON À OREILLES DE CENTRAGE AVEC RÉDUCTEUR À VOLANT CORPS FONTE GJS500-7 - PAPILLON INOX CF8M - JOINT NBR (Modelo : 58412V)

58412V VANNE PAPILLON À OREILLES DE CENTRAGE AVEC RÉDUCTEUR À VOLANT CORPS FONTE GJS500-7 - PAPILLON INOX CF8M - JOINT NBR

Photos

Dessins techniques

Informaciónes

Vanne papillon à oreilles de centrage avec réducteur à volant - Joint NBR

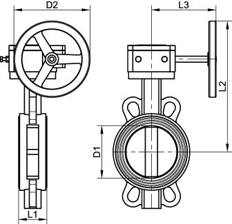
> Diamètres disponibles : du DN50 au DN300
> PN16 du DN50 au DN200
> PN10 du DN250 au DN300
> Joint NBR : -10°C à +80°C
> Corps fonte GJS500-7
> Papillon inox CF8M

Montage entre brides PN6 / PN10 / PN16 / Class 150 du DN50 au DN150.
Montage entre brides PN6 / PN10 / Class 150 du DN200 au DN300.
Ne pas monter la vanne avec des collets et brides tournantes.

Béné Inox propose deux types de motorisations possibles pour cette vanne : pneumatiques et électriques.

Cantidad
 
CAD
+
CAD
NC
NC
458412-50V
NBR
50
2"
16
51
100
42,5
203
105
3,20
8481808590
CAD
D
NC
458412-65V
NBR
65
2"1/2
16
63
100
45,5
209
105
4,10
8481808590
CAD
D
NC
458412-80V
NBR
80
3"
16
77
100
46
216
105
4,70
8481808590
CAD
D
NC
458412-100V
NBR
100
4"
16
102
150
52
264
130
6,40
8481808590
CAD
NC
NC
458412-125V
NBR
125
5"
16
122
150
55,5
285
130
7,90
8481808590
CAD
D
NC
458412-150V
NBR
150
6"
16
154
150
55,5
298
130
12,00
8481808590
CAD
D
NC
458412-200V
NBR
200
8"
16
200
270
60
395
210
17,00
8481808590
CAD
D
NC
458412-250V
NBR
250
10"
10
249
270
67
441
210
25,00
8481808590
CAD
D
NC
458412-300V
NBR
300
12"
10
300
270
77
487
210
36,00
8481808590

Retour en haut